软件工具

实验箱

 

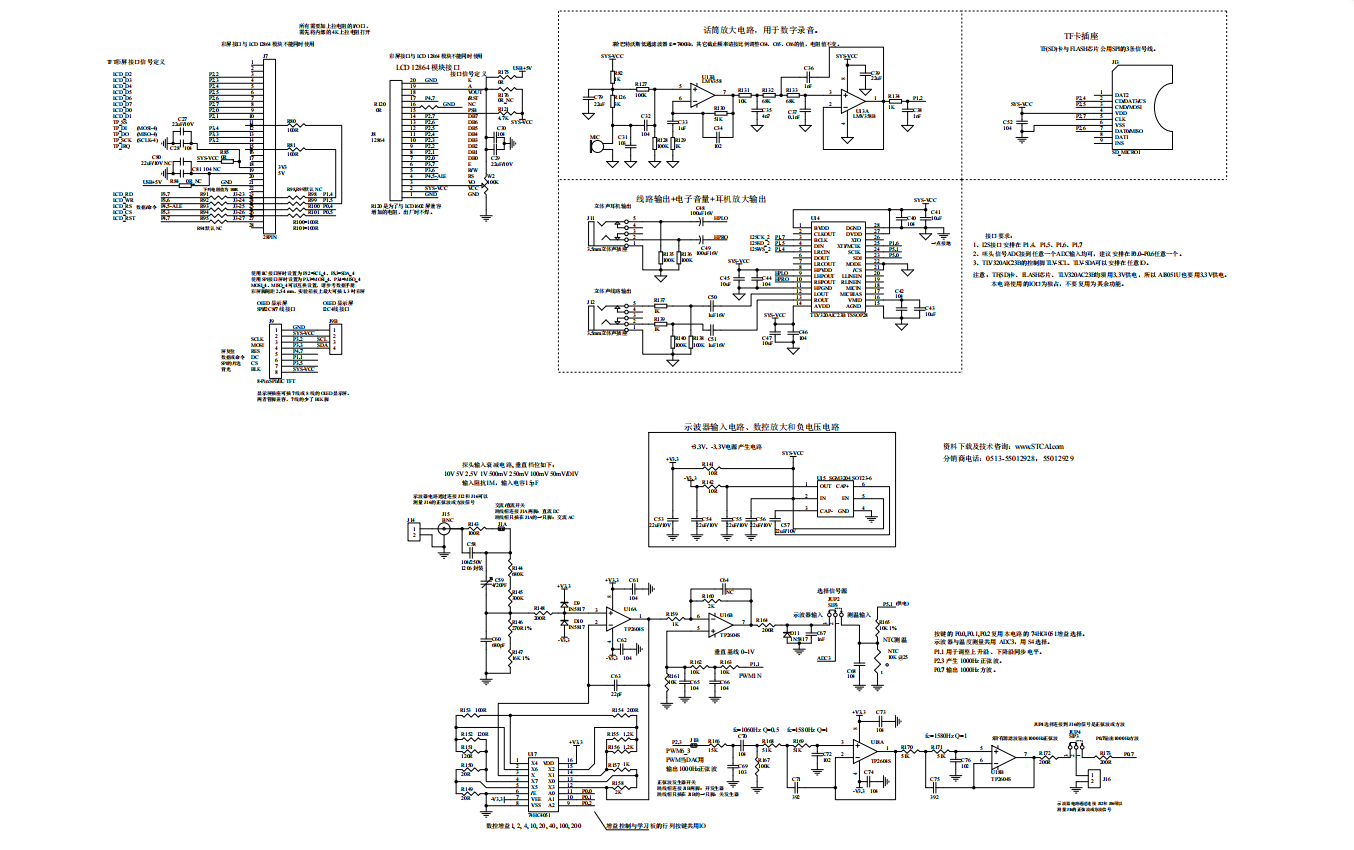
32G实验箱9.6

 

主控芯片使用32G12K128,可以做示波器、波形发生器、TFT彩屏显示、OLED 12864、LCD 12864 等,20260129版本

原理图
使用说明
代码下载
代码下载

 

8H实验箱9.3

 

主控芯片使用8H8K64U,可以做示波器、波形发生器、TFT彩屏显示、OLED 12864、LCD 12864 等,20241010版本

 
原理图
使用说明
代码下载

 

8A8K64D4实验箱8.4

 

主控芯片使用8K8K64D4

 
原理图
使用说明
代码下载

 

8H实验箱8.3

主控芯片使用8H8K64U,20241010版本

 

 
原理图
使用说明

 

8H实验箱9.6

 

主控芯片使用8H8K64U,可以做示波器、波形发生器、TFT彩屏显示、OLED 12864、LCD 12864 等,20241010版本

原理图
使用说明
代码下载

 

32G实验箱9.4

 

主控芯片使用32G12K128,可以做示波器、波形发生器、TFT彩屏显示、OLED 12864、LCD 12864 等20241010版本

原理图
使用说明
代码下载

 

AI8051U实验箱1.2

 

主控芯片使用AI8051U,可以做示波器、波形发生器、音频播放、TFT彩屏显示、OLED 12864、LCD 12864 等,20250715版本

 
原理图
代码下载
使用说明

 

32G144K246实验箱

 

主控芯片使用32G144K246,可以做示波器、波形发生器、音频播放、TFT彩屏显示、OLED 12864、LCD 12864 等,20260116版本

 
原理图
代码下载

 

15H2K64S4实验箱1.0

主控芯片使用15H2K64S4

 

 
原理图